美硕科技获得实用新型专利授权:“一种继电器的辅助触点系统”
证券之星消息,根据天眼查APP数据显示美硕科技(301295)新获得一项实用新型专利授权,专利名为“一种继电器的辅助触点系统”,专利申请号为CN202421712865.6,授权日为2025年4月25日。

图片来源于网络,如有侵权,请联系删除
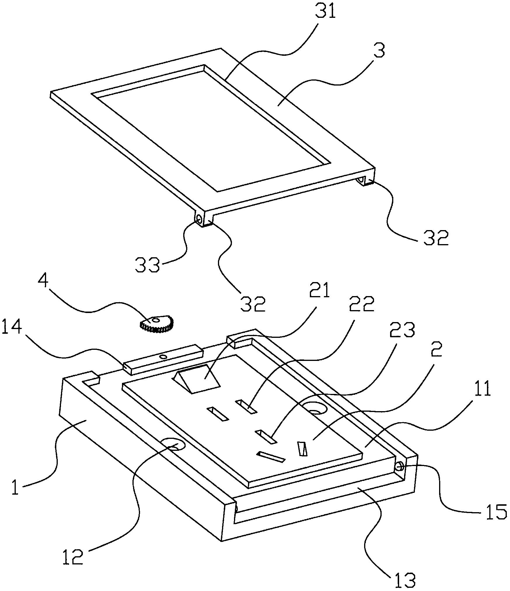
专利摘要:本实用新型公开了继电器的辅助触点系统,涉及电磁继电器技术领域,具体为,一种继电器的辅助触点系统,包括:基座;辅助静簧,与所述基座固定安装,且内部设置有辅助静触点;辅助动簧,以悬臂梁的形式与所述基座固定安装,且自由端内与所述辅助静触点对应的位置处设置有辅助动触点;磁钢组件,与所述基座转动安装,且活动端设置有凸台,所述凸台与所述辅助动簧抵接,当所述磁钢组件转动时,所述凸台能够带动所述辅助动簧发生形变,以改变所述辅助动触点和所述辅助静触点的接触导通状态,本继电器的辅助触点系统采用磁钢组件代替单独推动杆,实现推动杆与磁钢组件的一体化,减小动作元件的空间占用,有利于电磁继电器的产品小型化、紧凑化。

图片来源于网络,如有侵权,请联系删除
今年以来美硕科技新获得专利授权7个,与去年同期持平。结合公司2024年年报财务数据,2024年公司在研发方面投入了3083.78万元,同比减1.03%。

图片来源于网络,如有侵权,请联系删除
数据来源:天眼查APP
以上内容为证券之星据公开信息整理,由智能算法生成(网信算备310104345710301240019号),不构成投资建议。
目录 返回
首页
