格力博获得发明专利授权:“一种驱动控制电路、方法及设备”
证券之星消息,根据天眼查APP数据显示格力博(301260)新获得一项发明专利授权,专利名为“一种驱动控制电路、方法及设备”,专利申请号为CN202110596482.1,授权日为2025年6月13日。

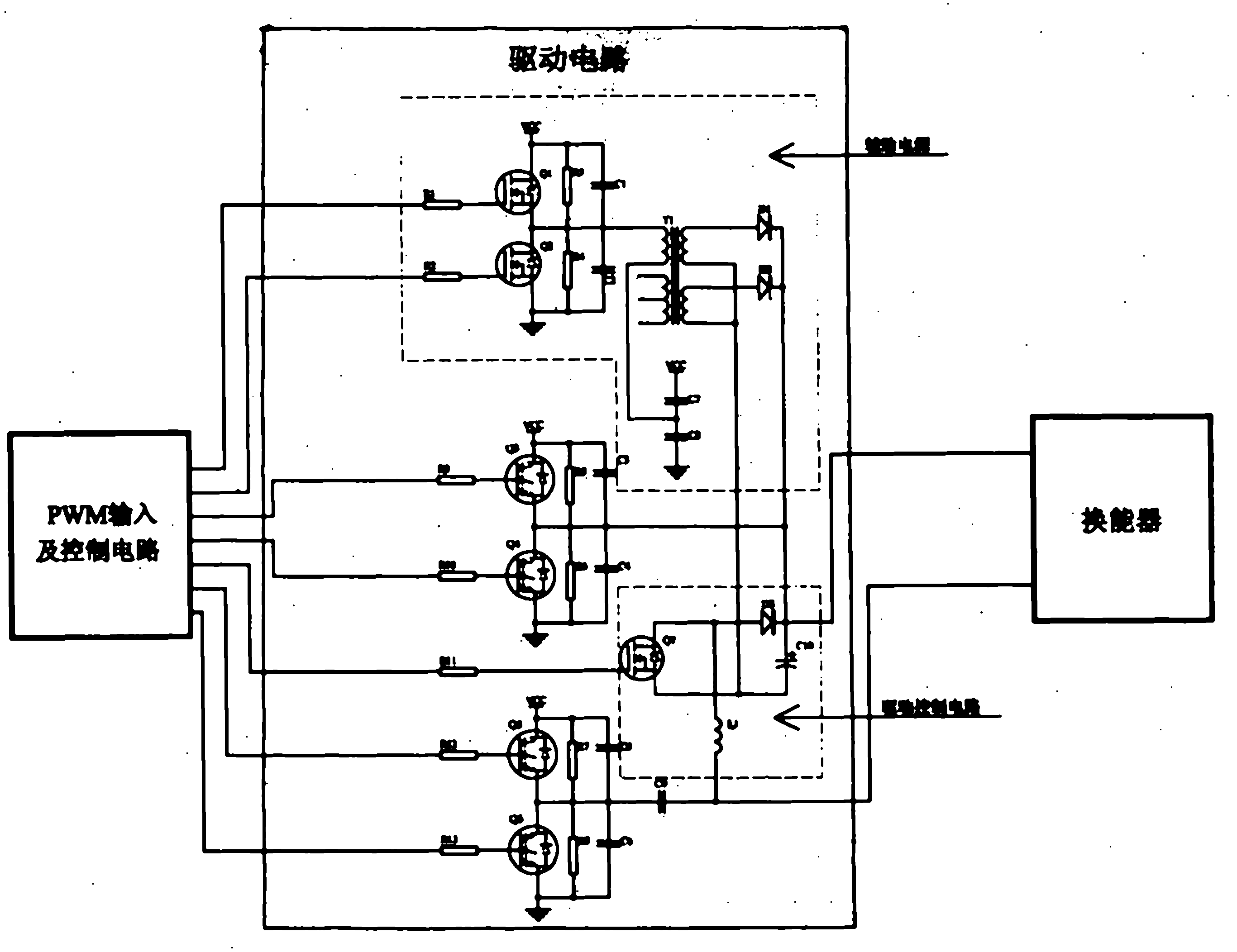
图片来源于网络,如有侵权,请联系删除
专利摘要:本发明提供一种驱动控制电路、方法及设备,所述驱动控制电路包括:若干个变换器模块,各个所述变换器模块均包括一原边线圈和一第一控制单元,相邻两个所述变换器模块并联;以及一输出模块,所述输出模块包括一副边线圈,各个所述原边线圈均与所述副边线圈相匹配。当需要进行输出功率的驱动时,所述原边线圈的输入端接入驱动信号,控制所述原边线圈的输出端导通,当所述原边线圈完成蓄能时,控制所述原边线圈的输出端断路,此时,所述原边线圈的磁感应强度发生变化,进而激励副边线圈并完成能量转换,通过多个原边线圈并联的方式,储蓄更多的能量,进而能够实现不增加冗余的元器件的情况下,增加副边线圈的输出功率的目的。
今年以来格力博新获得专利授权53个,较去年同期减少了57.94%。结合公司2024年年报财务数据,2024年公司在研发方面投入了2.18亿元,同比减2.03%。
数据来源:天眼查APP
以上内容为证券之星据公开信息整理,由AI算法生成(网信算备310104345710301240019号),不构成投资建议。
目录 返回
首页
